подать объявление по россии каталог магазины публикации войти / регистрация
Доска Объявлений России Gakada Авто Работа Животные Недвижимость Услуги Разделы Город Подать объявление в россии
только в заголовках с фото с видео с картой За последние 2 7 14 30 30+ дней

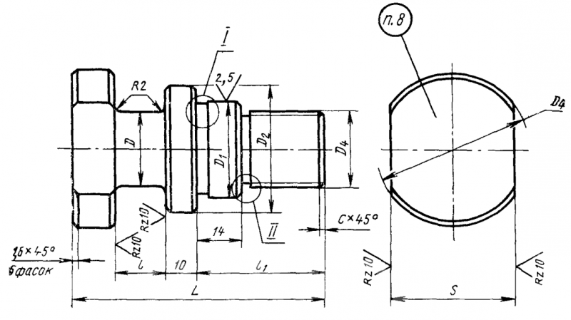
Переходники для кокилей гост 21090 75

Добавлено 23-10-20 [10:01]    Обновлено 21-10-25 [15:20]    Просмотров: 590
Переходники для кокилей гост 21090 75, Вся Россия

Местоположение: Вся Россия
Контактное лицо: Евгений
Телефон: Показать номер телефона
Изготавливаем переходники, предназначенные для крепления плит выталкивателей к штоку кокильных машин по ГОСТ 21090-75, а именно: Переходник 0401-1101 ГОСТ 21090-75, Переходник 0401-1102 ГОСТ 21090-75, Переходник 0401-1103 ГОСТ 21090-75, Переходник 0401-1104 ГОСТ 21090-75, Переходник 0401-1105 ГОСТ 21090-75, Переходник 0401-1106 ГОСТ 21090-75, Переходник 0401-1107 ГОСТ 21090-75, Переходник 0401-1108 ГОСТ 21090-75. Можем делать как условные размеры М24, М30х1,5, М36х1,5, так и по вашим чертежам и параметрам, из сталей 45, 40Х, 40Х13, а так же возможна замена на другие стали с механическими свойствами не ниже, чем у Ст. 45. Данный переходник идет с термической обработкой HRC 35-40 и покрытием Хим. Окс. прм (05) или же любым другим по вашему желанию.
Моб. +7 (950) 848-55-19
Раб. +7 (991) 086-37-37
ООО ТПК «СпецРусМетиз»
кокильная машина, машина кокильного литья, кокильные машины для литья металлов, купить кокильную машину, кокильная машина для литья алюминия, выталкиватель, кокиль, литье в кокиль, отливка в кокиль

Похожие объявления:

Лестница из массива дерева на заказ
ВВГнг А FRLSLTX 3х2 5
ВВГнг А LSLTX 3х2 5
Сетка-рабица 25х25 2мм
Распределительный щит ЩО 70




Сайт объявлений России Gakada это возможность купить продать выгодно без посредников абсолютно всё начиная от различных безделушек заканчивая дорогими вещами автомобилем мотоциклом недвижимостью электроникой животными хобби работой бизнесом. Доска объявлений России Gakada многопрофильная площадка, пользователь может быстро удобно купить продать различное имущество. Для комфортного поиска объявлений простой интерфейс меню, отдельные категории. Удобная регистрация позволит каждому пользователю быстро войти оперативно найти нужный товар. Возможность открытия магазина где будут лежать все Ваши объявления с описанием логотипом контактными данными ссылкой ведущей на ресурс главное обдуманно подойти к написанию объявления подчеркнуть грамотно достоинства товара выделить возможные недостатки. Объявление может быть удалено если повтор объявления или ошиблись категорией. Специалисты Gakada тщательно следят, чтобы на доске объявлений не было мошенничества спама противозаконных действий в содержании объявлений пользователей. Уточнить все волнующие вас вопросы связанные с работой доски бесплатных объявлений можно через форму обратной связи.

помощь   |    контакты   |    публичная оферта   |    карта сайта   |    все объявления    |    Мобильная версия   ';




доска объявлений россии gakada: | группа одноклассники | группа вконтакте | страница фейсбук | - ставьте Ваши объявления делитесь друзьями ☺

Copyright © Gakada 2015 - 2020. Все логотипы торговые марки являются собственностью их владельцев и принадлежат авторам объявлений ♺